Inyectores Nafta (Indirecta)

Discuss how to competently carry out diagnostics and repair of engine management systems
Post Reply
Pablo Caballero
Posts: 51
Joined: Fri Mar 31, 2017 11:27 pm

Inyectores Nafta (Indirecta)

Post by Pablo Caballero » Sat Aug 12, 2017 12:12 am

Hola,estoy arrancando con los primeros ensayos y esta vez con un colega nos dispusimos a probar el pulso de inyectores.
En la parte de "Modos" sugiere conectar a la salida 5 ya q es apto hasta 300v. Hasta ahí todo bien, hice una prueba de esa manera y veo perfecto el pico inductivo, pero si trato de hacer la misma prueba en la salida 1 o 4, lo maximo son 30v como bien detalla el manual.
Acá está el problema, sí quiero ver los 4 pulsos a la vez tengo abrir en modo 4 canales y usar las primeras 4 salidas del equipo.

1) Hay manera de ver el pico inductivo por completo en los 4 inyectores con el plugin "Sincronizar todos los canales"? O me conviene analizar uno por uno en "modo inyector" y después pasar a la medición de las 4 señales?

2) Usando el "modo inyector" sólo se puede ver una señal a la vez o se puede usar la salida 6 para ver otro inyector a la vez? Por ejemplo sí funciona en bancos la inyección, ver el cilindro 1 por el canal 5 y cilindro 2 por el canal 6 ?
Gracias

knyshmotors
Posts: 86
Joined: Fri Mar 06, 2015 2:10 pm
Location: Buenos Aires, Argentina

Re: Inyectores Nafta (Indirecta)

Post by knyshmotors » Sat Aug 12, 2017 4:29 pm

Pablo Caballero wrote:
Sat Aug 12, 2017 12:12 am
1) Hay manera de ver el pico inductivo por completo en los 4 inyectores con el plugin "Sincronizar todos los canales"? O me conviene analizar uno por uno en "modo inyector" y después pasar a la medición de las 4 señales?
Hola Pablo. existe varias formas hacer ésto. cual método elegir, depende de las nesecidades en el momento.
uno - es usar canal 5 y 6, pero en este caso tenemos solo 2 canales para alto voltaje y queremos ver los 4 inyectores...
otro- usar los cuatro canales (de1 a 4) que son hasta 30V, veremos perfectamente el ancho de pulso en cada inyector pero el pico inductivo será cortado en 30V (el limite de entrada del canal.)
Solusión:
1- usar un divisor de voltage en cada de los cuatro cables de medición conectados a las entradas 1,2,3,4.
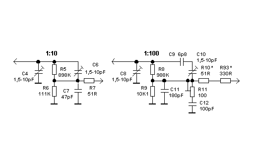
"divisor" efectivamente es un dispositivo que atenua o disminuye el voltaje que entra a la entrada del osciloscopio. pueden ser 1x10, 1x100, 1x1000 etc.

el divisor más simple se puede fabricar de forma siguiente:
InjSch1.png
InjSch1.png (15.21 KiB) Viewed 6456 times
Basicamente es una resistencia conectada en la linea de medicion.
En éste caso obtenemos una señal entrante disminuida en voltage. el inconveniente es que hay que calcular el coeficiente de atenuación y multiplicar por mismo el voltaje medido por osciloscopio para obtener los valores de tención de la señal lo más exactos posible.
En internet se pede encontrar las escemas más complejos y las fórmulas para calcular las resistencias para obtener una señal más exacta.
por ejemplo:
del1_544.gif
del1_544.gif (2.73 KiB) Viewed 6456 times
1a. - existe una forma de ver todos los pulsos de inyectors o de todas las bobinas en un solo canal, usando la siguente conección:
InjSchEs.png
InjSchEs.png (16.6 KiB) Viewed 6456 times
PrmSches.png
PrmSches.png (15.68 KiB) Viewed 6456 times
Usando ésta conección veremos todos los pulsos consecutivamente en un solo canal, obviamente no se podra medir los voltajes de forma exacta pero podemos evaluar el ancho de cada pulso y controlar la forma, presencia y continuadad de activaciones.
para distinguir a cual cilindro corresponde cada pulso le agregamos un canal con la senal de sincronización ( por ej. - el pulso de encendido del cil 1.)
ejemplo de un adaptador para conectar todos los inyectores en un canal:
приблуды2.JPG
приблуды2.JPG (95.46 KiB) Viewed 6456 times

knyshmotors
Posts: 86
Joined: Fri Mar 06, 2015 2:10 pm
Location: Buenos Aires, Argentina

Re: Inyectores Nafta (Indirecta)

Post by knyshmotors » Sat Aug 12, 2017 4:44 pm

Pablo Caballero wrote:
Sat Aug 12, 2017 12:12 am
2) Usando el "modo inyector" sólo se puede ver una señal a la vez o se puede usar la salida 6 para ver otro inyector a la vez? Por ejemplo sí funciona en bancos la inyección, ver el cilindro 1 por el canal 5 y cilindro 2 por el canal 6 ?
En modo "Inyector" se puede ver hasta 8 sañales a la ves, pero la medición se realiza sobre un solo canas, sobre cual fue aplicado el triger.

El modo "inyector" se inicia en modo de un canal por omición.
para activar la medición de ancho de pulso , la frecuencia y el duty desde cualquier otro modo, entramos al menu "Control" y elegimos el punto "Parámetros de tiempo"
Screenshot_4.png
Screenshot_4.png (50.62 KiB) Viewed 6456 times
Despues cambiamos de canal en la barra de ajuste del triger para pasar la medisión de un canal a otro.
Screenshot_5.png
Screenshot_5.png (39.95 KiB) Viewed 6456 times

Post Reply